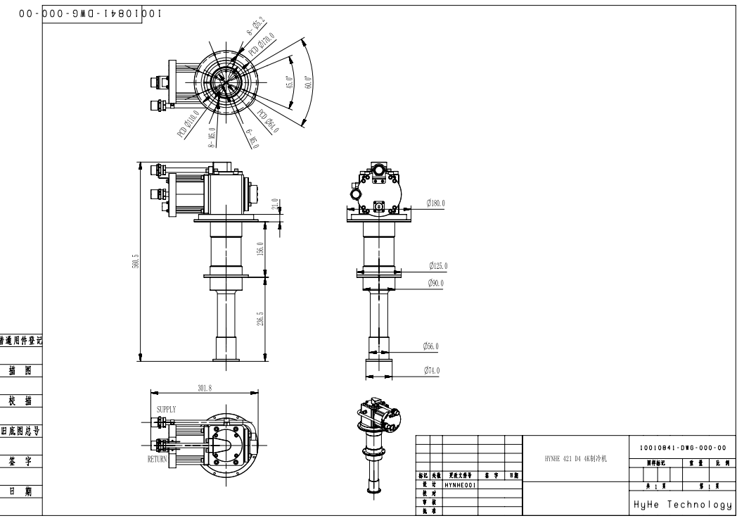
Чертёж общего вида криорефрижератора HE-421D