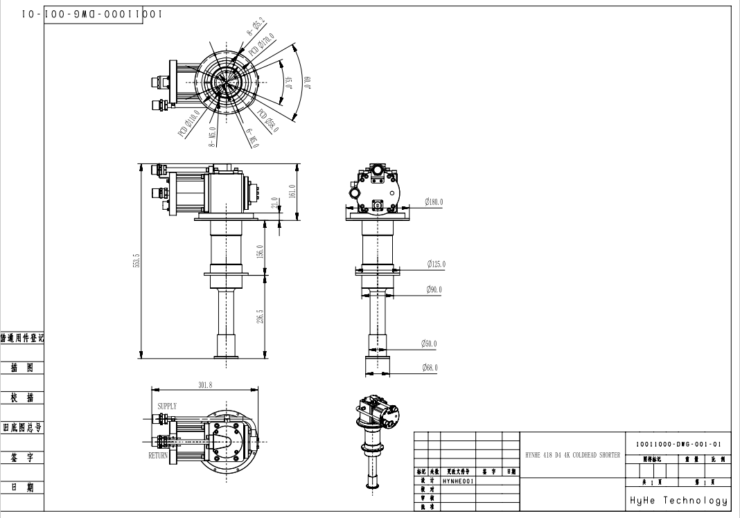
Чертёж общего вида криорефрижератора HE-418D