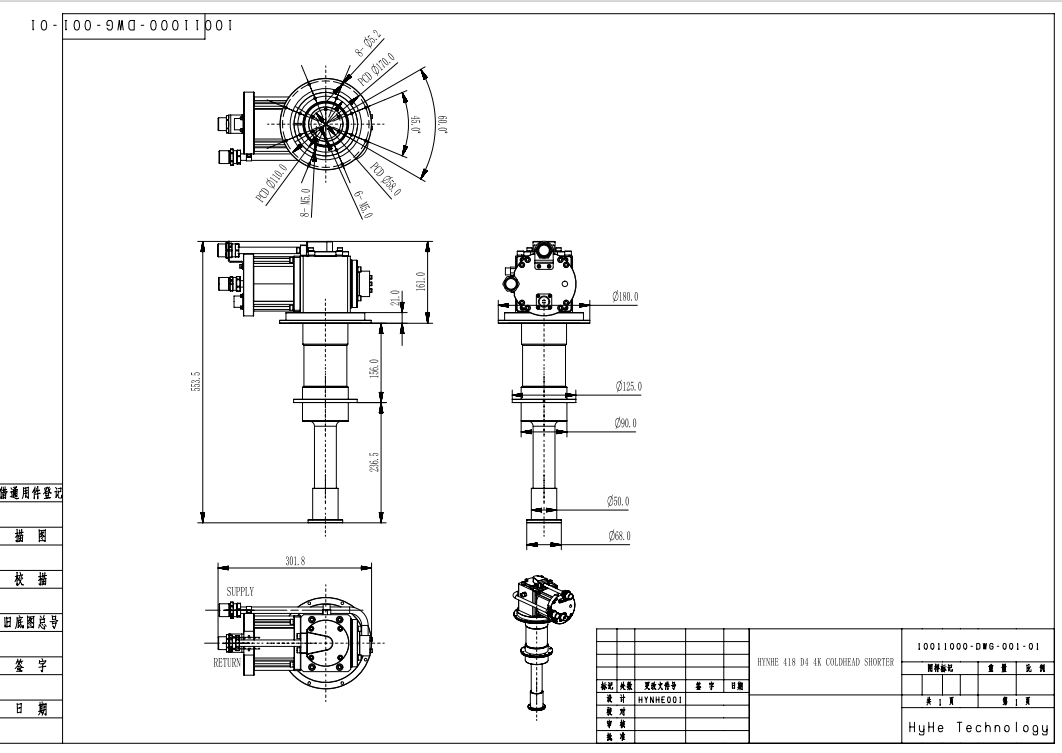
Чертёж общего вида криорефрижераторов HE-415 и 418

График холодопроизводительности